Industriskåpsdörrlåsär den viktigaste skyddskomponenten i distributionsskåp, kommunikationsskåp, kontrollbox och annan utrustning, som är direkt relaterad till säkerheten hos interna elektriska komponenter och den stabila driften av systemet.
För att möta de diversifierade kraven på leveranstid och specifikationer för olika projekt har vårt företag alltid fem typer av vanliga lås i lager --Lång stånglås, Panellås, Spökontrolllås, Handtagslås,Roterande tunglås. Samtidigt stöder vi alla icke-standardiserade lås anpassade enligt ritningar eller prover, vilket är perfekt lämpligt för alla typer av metallfördelningslådor.
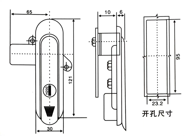
Planlås är en av de vanligaste typerna av industriskåpsdörrlås, både vackra och lätta att underhålla. Vårt företag lanserade planlåset AB301, AB302, AB303, AB402, AB403, i strukturell styrka, skyddsprestanda och funktionskänsla i den differentierade designen, kan uppfylla de olika specifikationerna för distributionslådan, kraven på installation av styrskåp.
| Mått | Produktnummer | |||||||
| L1 | L2 | L3 | B1 | B2 | Grå kromplätering | Grå sprayfärg | Svart pulverlackerad | Vikt (g) |
| 147 | 117 | 72 | 33 | 26.5 | AB301-1-1.2 | AB301-1-1.8 | AB301 | 370 |
| 120.5 | 95.5 | 65 | 30 | 23.5 | AB301-2-1.2 | AB301-2-1.8 | AB302 | 290 |
| 87.5 | 62.5 | 65 | 28.5 | 23.5 | AB301-3-1.2 | AB301-3-1.8 | AB303 | 215 |
Huvudmaterial: zinklegering.
Ytbehandling: ljus krom, matt, svart.
Funktion och användning: Förverkliga vänster och höger dörröppning, lätt att använda, med tätning och vattentät funktion.
Huvudmaterial: zinklegering.
Ytbehandling: ljus krom, matt, svart.
Funktion och användning: Förverkliga vänster och höger dörröppning, lätt att använda, med tätning och vattentät funktion.
Material: låskropp av zinklegering, roterande axel, kolv i galvaniserat stål, tryckplatta.
Ytbehandling: silvergrå nanospray.
Strukturbeskrivning: Vrid 90 grader för att öppna eller låsa.
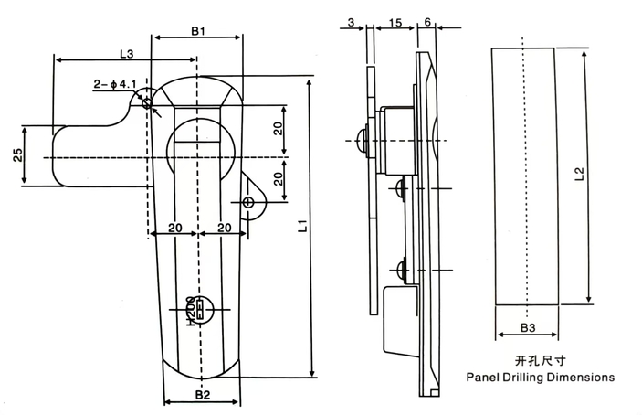
| MODELL | L1 | L2 | L3 | B1 | B2 | B3 |
| NYA AB402-A | 123 | 95.5 | 65 | 36.5 | 30 | 23.5 |
| NYA AB403-A | 91 | 62.5 | 65 | 33 | 28.5 | 23.5 |
| NYA AB401-A | 151 | 117 | 72 | 36 | 30 | 26.5 |
